Мурманск — Аквакорд

8(800) 500-73-22

RU

EN

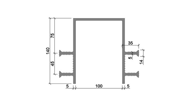
Гидрошпонка Аквастоп ДЗ-140/100-4/35

Гидрошпонка ДЗ-140/100-4/35 из ПВХ — это деформационная защитная гидрошпонка из ПВХ-П.
Ширина шпонки — 140 мм.
Ширина деформационного шва — 100 мм.
Количество анкеров — 4 шт.
Высота анкера — 35 мм.

Перемещения деформационного узла – это допустимые смещения и колебания элементов конструкции, которые спрягаются. 
К перемещениям относится поперечный или продольных сдвиг, сжатие и растяжение.
Упаковка
Кол-во
Бухта
  м.п.

Цена: 

1751 

за 1 м.п.

Технические характеристики

Назначение и особенности, для шпонки ДЗ-140/100-4/35 из ПВХ это:

  • Сжатие – 90 мм;
  • Растяжение – 135 мм;
  • Поперечный сдвиг – 160 мм;
  • Продольный сдвиг – 95 мм;
  • Давление воды – 0,38 МПа.

 

Гидрошпонки Аквастоп используются в гражданском и коммерческом строительстве.
Гарантийный срок хранения – 2 года.
Гарантийный срок эксплуатации – 5 лет при соблюдении технологии монтажа.

Изменить содержимое

Монтажная схема гидрошпонки Аквастоп ДЗ

Устанавливается в полость деформационного шва, как с внешней, так и с внутренней стороны элементов конструкций подземной части зданий и сооружений различного назначения. 

Изменить содержимое

Фасонные элементы гидрошпонки Аквастоп ДЗ

Описание

Описание

Фотографии гидрошпонки Аквастоп ДЗ

Выберите ваш город